Cookies
We utilise cookies to enhance your experience on our website. Essential cookies are required and automatically enabled, while you can choose to accept optional cookies.
Show Prices Inc VAT
Help
Product Focus Header
Share with:

Littelfuse Industry Standard Gate Drivers come with various protection features to suit a wide range of power applications, samples available from Anglia

Littelfuse provides a broad portfolio of protection, control and sensing products. Their offering spans fuses, protection relays, dc disconnect switches, surge protective devices, power semiconductors, temperature sensors and much more. These products are all designed and manufactured to the highest standards to maximise performance, safeguard equipment from damage and personnel from injury due to electrical faults, while reducing costs and minimizing downtime.

One of the many product areas where Littelfuse demonstrate market leadership is high speed Gate Driver ICs, they have products offering high peak output currents in various package versions including real power packages for driving MOSFET, SiC-MOSFET, and IGBT Power Devices.

High-Side and Low-Side & Half-Bridge Gate Driver ICs

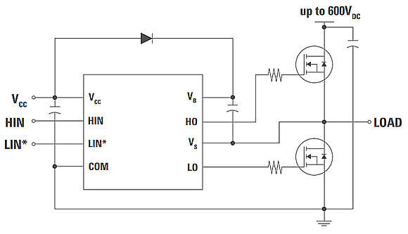
High-Side and Low-Side & Half-Bridge drivers control two N-Channel MOSFETs or IGBTs in fast switching applications. The gate driver converts PWM input signals into gate signals compatible with MOSFETs or IGBTs, providing a robust and efficient power semiconductor control. An integrated bootstrap circuit generates a floating voltage that enables the high-side driver to operate up to 600VDC.

Typical Application Circuit – High-Side & Low-Side Gate Driver

Typical Application Circuit – Half-Bridge Gate Driver

Free Samples   
Key Features

High-Side and Low-Side & Half-Bridge Drivers

  • Floating high-side driver enables bootstrap operation to 600V
  • High-Side and Low-Side Drivers - 600mA/290mA to 4.5/4.5A sink/source Output Current Capabilities
  • Half-Bridge Drivers - 350mA/200mA to 2.3A/1.9A sink/source Output Current Capabilities
  • Wide 10V to 20V VCC operating voltage range
  • Undervoltage Lockout (UVLO)
  • Shoot-Through Protection
  • Half-Bridge Drivers - Internal deadtime protects MOSFETs or IGBTs from cross conduction
  • Logic inputs are 3.3V logic level compatible
  • The outputs are tolerant to negative transients
  • Operating temperature range from -40°C to 125°C
  • Available in SOIC-8, -14 and -16* industry standard packages and pin-outs

3-Phase Half-Bridge Drivers

  • Single Package Driver for 3-Phase Motor Control and Power Inverters
  • Three floating high-side drivers in bootstrap operation to 600V
  • 350mA/200mA and 600mA/290mA sink/source Output Capability
  • Wide 10V to 20V VCC operating voltage range
  • Undervoltage Lockout (UVLO) for all channels
  • Overcurrent Protection/Shutdown with Fault Output
  • Shoot-Through Protection
  • Internal deadtime protects MOSFETs or IGBTs from cross conduction
  • Matched propagation delay for all channels
  • Logic Level Inputs 3.3V compatible
  • Operating temperature range from -40°C to 125°C
  • Available in SOIC-20/28 industry standard packages and pin-outs
Data

Both the High-Side and Low-Side & Half-Bridge Gate drivers accept a wide supply voltage range from 10V to 20V, as well as wide logic input voltage ranges 3.3V to 20V. The devices feature an array of built-in protection features including Under Voltage Lockout (UVLO), Shoot-Through Protection and outputs which are tolerant to negative transients ensuring the safe operation of the driver and the driven power semiconductors.

The devices are available in 8-Pin, 14-Pin and 16-Pin* SOIC industry standard packages and pin-outs, with peak drive currents (sink) from 600mA to 2.3A or 600mA to 4.5A* and extended operating temperature ranges from -40°C to +125°C throughout ensuring reliability in the harshest of environments.

* High-side and Low-side Gate drivers only.

3-Phase Half-Bridge Gate Driver ICs

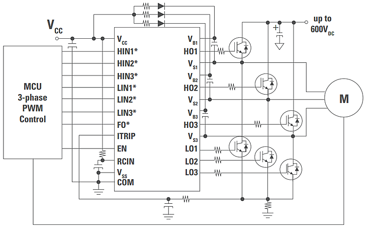
Switching three pairs of N-Channel MOSFETs or IGBTs in 6-pack configurations is a challenge in fast switching applications. Moreover 3-Phase Half Bridge gate drivers convert PWM input signals into gate-signals compatible with MOSFETs or IGBTs, providing a robust and efficient power semiconductor control. Integrated bootstrap circuits generate floating voltages that enable enables the three high-side drivers to operate up to 600VDC.

Typical Application Circuit – 3-Phase Half-Bridge Gate Driver

The 3-Phase Half Bridge Gate drivers accept a wide supply voltage range from 10V to 20V, as well as wide logic input voltage ranges 3.3V to 20V. The devices feature several built-in protection features including Under Voltage Lockout (UVLO), Shoot-Through Protection, Cross-conduction prevention logic, Matched propagation delay times and outputs which are tolerant to negative transients ensuring the safe operation of the driver and the driven power semiconductors.

The devices are available in 20-Pin and 28-Pin SOIC industry standard packages and pin-outs, with peak drive currents (sink) from 350mA to 650mA and extended operating temperature ranges from -40°C to +125°C throughout ensuring reliability in the harshest of environments.

Littelfuses extensive range of High-Side and Low-Side, Half-Bridge & 3-Phase Half Bridge Gate Drivers are compatible with many industry standard devices and are suitable for use in a wide range of applications including but not limited to AC/DC-Inverters, 3-Phase Motor Inverters, White Goods, HVAC, Power Tools, Robotics, Motor Controls / Drives, Stepper Motor Drives, DC/DC-Converters, Robotics, Cordless Power Tools, Drones, Servo Motor Control, Power Supplies / UPS, Class-D Power Amplifiers, Fuel/Water Pumps and Induction Cooking.

Anglia are offering customers FREE samples of High-Side and Low-Side, Half-Bridge & 3-Phase Half-Bridge Gate Drivers from Littelfuse, please fill in the form below to register your interest now.

To register for FREE samples of High-Side and Low-Side, Half-Bridge & 3-Phase Half-Bridge Gate Drivers from Littelfuse, please fill in the form below

First name *
Last Name *
Company *
Telephone *
Email Address *
Project Name
Project Volume *
Project Description
*


Free samples are subject to availability.

You may also be interested in

Industrial and embedded applications are required to operate under increasingly more stringent conditions, deployed with tighter constraints on space and budgets, and under harsher environments. To meet these demands, Harwin have announced an expansion of the popular Kontrol range of industrial board-to-board interconnects (BBi), by adding single row connectors and cables to the 1.27mm pitch (0.05") connectors. The expansion of the range has been designed to bridge the gap between high-end connectors and established pin header and socket solutions.

More

The 6862I sensor, developed by Hope RF, represents a new benchmark in environmental sensing technology. This advanced digital barometric pressure and temperature sensor is engineered for applications that demand exceptional accuracy, low power consumption, and robust performance in challenging environments.

More

Discover the latest in efficient power conversion with the cost-effective STMicroelectronics DCP3601 buck converter and the STEVAL-3601CV1 evaluation board. The DCP3601 delivers up to 1 A load current across a wide 3.3 V to 36 V input range, making it ideal for diverse industrial applications. Its 1 MHz fixed switching frequency enables compact designs, while advanced EMI management and robust protection features ensure reliable operation even in demanding environments.

More

KYOCERA AVX’s has expanded its 3dB 90° hybrid couplers – the DB0402 adds a miniature 0402 size package to the family which already includes the DB0603, and DB0805 series – engineered to meet the growing demands of high-frequency wireless systems across industrial, automotive, telecommunications, and telemetry sectors.

More

The Omron G6QG is a cutting-edge, compact PCB-mounted power relay engineered for high-performance switching in space-constrained environments. It stands out as the smallest relay in the industry capable of handling AC loads up to 480V and 55A, making it a powerful solution for demanding applications such as DC fast chargers, energy storage systems, and EV infrastructure.

More

HARTING has launched the new D-Sub PushPull housings. Designed to improve efficient and process-safe handling, the HARTING D-Sub PushPull transforms a well-known connector family into a simplified solution. The PushPull locking mechanism significantly improves the assembly process and reduces installation and maintenance time by up to 50%.

More

STMicroelectronics has once again raised the bar in motion sensing with the launch of the LSM6DSV320X which is like no other IMU, designed to monitor and safeguard users in their individual surroundings and contexts.

More
ANGLIA-LIVE.COM IS A B2B WEBSITE ONLY
© 2026 Anglia Components Plc. All rights reservedTerms & ConditionsTerms of UsePrivacy PolicyAnti Bribery Statement