Cookies
We utilise cookies to enhance your experience on our website. Essential cookies are required and automatically enabled, while you can choose to accept optional cookies.
Show Prices Inc VAT
Help
Product Focus Header
Share with:

Sensirion unveils the STCC4 a game-changer in CO₂ sensing technology, samples and evaluation kit available from Anglia.

Sensirion has introduced the STCC4 , a revolutionary miniature sensor poised to redefine how we monitor indoor air quality. As one of the smallest direct CO₂ sensors available globally, the STCC4 combines cutting-edge technology with an ultra-compact design, unlocking new possibilities for integration into modern electronic devices. Utilizing the latest technological advancements in thermal conductivity sensing, the STCC4 provides the accuracy needed for indoor air quality applications.

With dimensions of just 4 x 3 x 1.2 mm and housed in a SMD package, the STCC4 sets a new benchmark in sensor miniaturisation. This breakthrough form factor, paired with exceptionally low power consumption, makes it ideal for applications where space and energy efficiency are critical. From smart thermostats to portable air quality monitors, the STCC4 opens doors to innovations previously constrained by size and cost.

At the heart of the STCC4 lies Sensirion’s proprietary CMOSens® technology, which leverages the thermal conductivity sensing principle to deliver precise CO₂ measurements. This approach ensures reliable performance in ambient indoor conditions, all while maintaining cost-effectiveness and scalability for high-volume production.

Functional Block Diagram

Free Samples and Evaluation Board
Key Features
  • Thermal conductivity measurement principle
  • CO2 measurement accuracy ±(100 ppm + 10%) from 400 – 5’000 ppm
  • Response time (τ63%): 20 s
  • Supply voltage: 2.7 - 5.5 V
  • Average supply current: 950 uA
  • Avg. current consumption below 100 µA in single shot measurement mode
  • Max. supply current: 4.2 mA
  • Digital I2C interface and calibrated output signal
  • Configurable I2C address
  • Size (LxWxH): 4 x 3 x 1.2 mm
  • Operating temperature range: -10°C to + 40 °C
Data

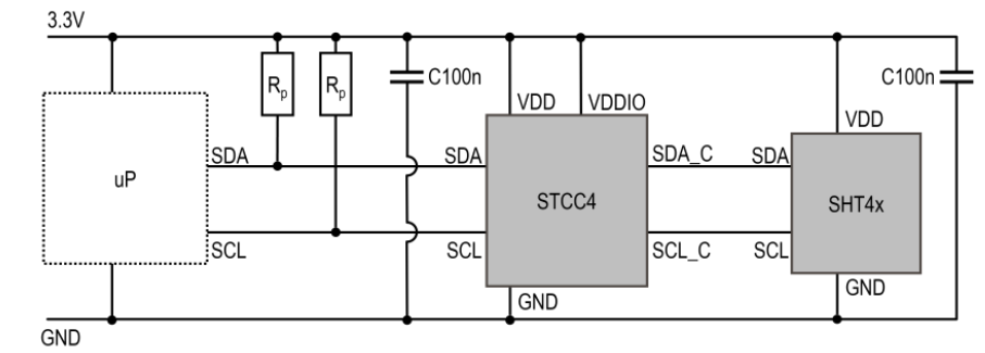
But the STCC4 isn’t just small—it’s smart. The sensor comes 100% factory-calibrated and features automatic on-board compensation for humidity and temperature, enabled through an external SHT4x sensor. This ensures consistent accuracy across varying environmental conditions. Additionally, the built-in Automatic Self-Calibration (ASC) algorithm maintains long-term stability by assuming weekly exposure to fresh air (approximately 400 ppm CO₂), a clever mechanism that reduces maintenance and recalibration needs. Continuous input from an external SHT4x temperature and humidity sensor connected via a dedicated I2C controller interface provides accurate compensation of the CO2 concentration output.

Recommended application Circuit

The STCC4 is engineered and manufactured in Switzerland and has been optimized for easy integration into high volume applications through its compact SMD design and is supplied on tape & reel packaging.

To support developers and accelerate adoption, Sensirion offers the SEK-STCC4 Evaluation Kit which jumpstarts the sensor assessment process by offering a straightforward testing approach. Featuring an integrated STCC4 sensor on a development board, the kit enables fast and flexible testing of the sensor for various applications.

Kit Contents:
1x STCC4 development board
1x adapter cable
1x jumper wire set

Designed for seamless integration with the SEK-SensorBridge, the kit allows up to two evaluation boards to connect to a computer via USB, enabling fast and flexible testing. Sensirion complements this with a robust software platform and driver support, making sensor evaluation straightforward and efficient.

Unboxing and getting started with the SEK-STCC4 Evaluation Kit

The STCC4 is suitable for a wide range of applications, including indoor air quality monitors, smart thermostats, air conditioners and much more.

The STCC4 is more than just a sensor—it’s a leap forward in indoor air quality technology. With its miniature footprint, intelligent calibration features, and developer-friendly ecosystem, Sensirion is paving the way for smarter, healthier environments.

Anglia are offering customers a FREE evaluation kit and samples of the STCC4 CO2 sensor from Sensirion, please fill in the form below to register your interest now.

To register for a FREE evaluation kit and samples of the STCC4 CO2 sensor from Sensirion, please fill in the form below

First name *
Last Name *
Company *
Telephone *
Email Address *
Project Name
Project Volume *
Project Description
*


Free samples are subject to availability.

You may also be interested in

Industrial and embedded applications are required to operate under increasingly more stringent conditions, deployed with tighter constraints on space and budgets, and under harsher environments. To meet these demands, Harwin have announced an expansion of the popular Kontrol range of industrial board-to-board interconnects (BBi), by adding single row connectors and cables to the 1.27mm pitch (0.05") connectors. The expansion of the range has been designed to bridge the gap between high-end connectors and established pin header and socket solutions.

More

The 6862I sensor, developed by Hope RF, represents a new benchmark in environmental sensing technology. This advanced digital barometric pressure and temperature sensor is engineered for applications that demand exceptional accuracy, low power consumption, and robust performance in challenging environments.

More

Discover the latest in efficient power conversion with the cost-effective STMicroelectronics DCP3601 buck converter and the STEVAL-3601CV1 evaluation board. The DCP3601 delivers up to 1 A load current across a wide 3.3 V to 36 V input range, making it ideal for diverse industrial applications. Its 1 MHz fixed switching frequency enables compact designs, while advanced EMI management and robust protection features ensure reliable operation even in demanding environments.

More

KYOCERA AVX’s has expanded its 3dB 90° hybrid couplers – the DB0402 adds a miniature 0402 size package to the family which already includes the DB0603, and DB0805 series – engineered to meet the growing demands of high-frequency wireless systems across industrial, automotive, telecommunications, and telemetry sectors.

More

The Omron G6QG is a cutting-edge, compact PCB-mounted power relay engineered for high-performance switching in space-constrained environments. It stands out as the smallest relay in the industry capable of handling AC loads up to 480V and 55A, making it a powerful solution for demanding applications such as DC fast chargers, energy storage systems, and EV infrastructure.

More

HARTING has launched the new D-Sub PushPull housings. Designed to improve efficient and process-safe handling, the HARTING D-Sub PushPull transforms a well-known connector family into a simplified solution. The PushPull locking mechanism significantly improves the assembly process and reduces installation and maintenance time by up to 50%.

More

STMicroelectronics has once again raised the bar in motion sensing with the launch of the LSM6DSV320X which is like no other IMU, designed to monitor and safeguard users in their individual surroundings and contexts.

More
ANGLIA-LIVE.COM IS A B2B WEBSITE ONLY
© 2026 Anglia Components Plc. All rights reservedTerms & ConditionsTerms of UsePrivacy PolicyAnti Bribery Statement