Cookies
We utilise cookies to enhance your experience on our website. Essential cookies are required and automatically enabled, while you can choose to accept optional cookies.
Show Prices Inc VAT
Help
Product Focus Header
Share with:

Discrete Chip LAN Transformers and Common Mode Inductors from Bourns support latest Ethernet standards, samples available from Anglia

Bourns Chip LAN Transformers

 

Bourns boasts more than 50 years of Magnetic components experience, offering a broad, proven and continually expanding portfolio of standard and semi-custom products as well as extensive capabilities for the development of fully customized components. The Bourns Magnetic product line-up includes dedicated LAN Transformers and Common Mode Chip Inductors for Ethernet applications including the latest Power Over Ethernet (PoE+) and Single Pair Ethernet (SPE) standards.

Ethernet or LAN Transformers are a key component in any Ethernet network, providing primary electrical isolation between the network and Ethernet device while also offering the function of signal conditioning and correct common mode voltages for the differential signals.

Bourns has recently expanded their offering of discrete LAN Transformers. The range now covers 10/100 Base-T, Gigabit (GbE) 1G/2.5G/5G and 10G Base-T standards and includes capability for PoE+. The five additions to the range SM453229-231N7Y, SM453229-381N7Y, SM353230-181N7Y (GbE), SM453230-121N7Y (GbE) and SM453230-181N7Y (GbE) are all IEEE 802.3 Ethernet compatible and have a specified operating temperature range of -40 to +85 °C.

Unlike traditional LAN magnetic arrays constructed with multiple toroidal core transformers and common mode chokes in a single module, the latest Bourns® Chip LAN Transformers are discrete, centre-tapped components wound on a drum core and capped with a ferrite plate to emulate the result of the close magnetic path of a toroid core. These discrete LAN Transformers allow for much greater flexibility when designing the PCB layout and can accommodate the latest SPE standard. They are supported by the SRF2012A series of companion Common Mode Chip Inductors, which when used in conjunction with the LAN Transformers provide excellent EMI suppression.

FREE Evaluation Board and Samples   
Key Features & Benefits
  • Compliant with IEEE 802.3
    • 10/100/1000 Base-T (SM453229-381N7Y)
    • 10/100/1000 Base-T PoE+ (SM453229-231N7Y)
    • 1 / 2.5 / 5 GbE (SM353230-181N7Y & SM453230-181N7Y)
    • 1 / 2.5 / 5 / 10 GbE (SM453230-121N7Y)
  • Allows flexible PCB layout
  • Supports SPE standard
  • Operating temperature range: -40 to +85 °C
Companion Common Mode Chip Inductors
  • Impedance range: 30 – 900 Ω
  • Rated voltage: 100 VDC
  • Current rating: up to 400 mA
  • Excellent EMI reduction
  • Operating temperature range: -55 °C to +125 °C
Data

Bourns SM453229

The Chip LAN Transformers for 10/100/1000 Base-T PoE+ measure 4.7 x 3.22 mm and have a low profile height of 2.9 mm. The SM453229-231N7Y Chip LAN Transformer is compatible with 10/100/1000 Base-T PoE+ and the SM453229-381N7Y is compatible with 10/100/1000 Base-T Ethernet standards. Both transformers can be paired with common mode choke SRF2012A-801Y for EMI reduction.

The Chip LAN Transformers for 1 / 2.5 / 5 / 10 GbE are available in two sizes, SM353230-181N7Y measuring 3.5 x 3.2 x 2.9 mm and SM453230-181N7Y & SM453230-121N7Y measuring 4.7 x 3.22 x 2.9 mm. The SM353230-181N7Y and SM453230-181N7Y Chip Transformers are compatible with 1 / 2.5 / 5 GbE whilst the SM453230-121N7Y supports the 1 / 2.5 / 5 / 10 GbE standard. The common mode choke SRF2012A-801Y can also be used with SM353230-181N7Y & SM453230-181N7Y to provide EMI reduction and the SM453230-121N7Y can be paired with common mode choke SRF2012-900YA to provide EMI reduction.

The SRF2012A Common Mode Chip Inductor series is designed to attenuate unwanted noise frequency in high-speed signal lines such as Ethernet, USB 2.0, IEEE1394 and LVDS which are widely used in computing, networking devices, LCD panels and other electric devices. The SRF2012A series has a wirewound construction on a ferrite core which provides low DCR, high rated current and high common mode impedance. Supplied in an 0805 package, they have a common mode impedance range of 30 – 900 Ω, 100 VDC rated voltage and current up to 400 mA.

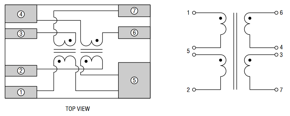
Chip LAN Transformer Electrical Schematic

Chip LAN Transformer Electrical Schematic

The Bourns® Chip LAN Transformers are ideal for use in a variety of high-speed telecommunication and network devices including imaging equipment, servers, routers, security equipment, industrial machines, building and factory automation and high-end instrumentation.

Anglia is offering customers FREE samples of the Chip LAN Transformers and companion Common Mode Chip Inductors from Bourns. Please fill in the form below to register now.

To register for FREE samples of the Chip LAN Transformers and companion Common Mode Chip Inductors from Bourns, please fill in the form below

First name *
Last Name *
Company *
Telephone *
Email Address *
Project Name
Project Volume *
Project Description
*


Free samples are subject to availability.

You may also be interested in

Industrial and embedded applications are required to operate under increasingly more stringent conditions, deployed with tighter constraints on space and budgets, and under harsher environments. To meet these demands, Harwin have announced an expansion of the popular Kontrol range of industrial board-to-board interconnects (BBi), by adding single row connectors and cables to the 1.27mm pitch (0.05") connectors. The expansion of the range has been designed to bridge the gap between high-end connectors and established pin header and socket solutions.

More

The 6862I sensor, developed by Hope RF, represents a new benchmark in environmental sensing technology. This advanced digital barometric pressure and temperature sensor is engineered for applications that demand exceptional accuracy, low power consumption, and robust performance in challenging environments.

More

Discover the latest in efficient power conversion with the cost-effective STMicroelectronics DCP3601 buck converter and the STEVAL-3601CV1 evaluation board. The DCP3601 delivers up to 1 A load current across a wide 3.3 V to 36 V input range, making it ideal for diverse industrial applications. Its 1 MHz fixed switching frequency enables compact designs, while advanced EMI management and robust protection features ensure reliable operation even in demanding environments.

More

KYOCERA AVX’s has expanded its 3dB 90° hybrid couplers – the DB0402 adds a miniature 0402 size package to the family which already includes the DB0603, and DB0805 series – engineered to meet the growing demands of high-frequency wireless systems across industrial, automotive, telecommunications, and telemetry sectors.

More

The Omron G6QG is a cutting-edge, compact PCB-mounted power relay engineered for high-performance switching in space-constrained environments. It stands out as the smallest relay in the industry capable of handling AC loads up to 480V and 55A, making it a powerful solution for demanding applications such as DC fast chargers, energy storage systems, and EV infrastructure.

More

HARTING has launched the new D-Sub PushPull housings. Designed to improve efficient and process-safe handling, the HARTING D-Sub PushPull transforms a well-known connector family into a simplified solution. The PushPull locking mechanism significantly improves the assembly process and reduces installation and maintenance time by up to 50%.

More

STMicroelectronics has once again raised the bar in motion sensing with the launch of the LSM6DSV320X which is like no other IMU, designed to monitor and safeguard users in their individual surroundings and contexts.

More
ANGLIA-LIVE.COM IS A B2B WEBSITE ONLY
© 2026 Anglia Components Plc. All rights reservedTerms & ConditionsTerms of UsePrivacy PolicyAnti Bribery Statement